
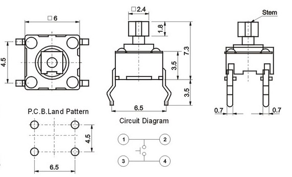
技術指標:
|
使用溫度范圍 Temperature
|
-30~+70℃
|
耐壓 Withstand Voltage
|
AC250V(50Hz)/min
|
|
額定負荷 Rated Load
|
DC12V 50mA
|
動作力 Actuating Force
|
100~350G
|
|
接觸電阻 Contact Resistance
|
≤0.03Ω
|
壽命 Life
|
100000次
|
|
絕緣電阻 Insulation Resistance
|
≥100MΩ
|
|
穎鑫電子科技有限公司是一家開發、設計、生產銷售及各種開關.插座:振動開關,彈簧開關,撥動開關,葉片開關,輕觸開關,按鍵開關,耳機插座,DC插座。
用途:
本開關適用于,玩具,電動玩具,玩具公仔,防盜器,家用電器,手機數碼,電子通訊,電子游戲機,汽車防盜,智能化系統。
優點:體積小,壽命長,環保安全,美觀
包裝:常規包裝1000粒/包,可按照客戶要求進行包裝!
價格最低,質量最好!一直是我的宗旨!
公司從設計、制作、后加工、到送貨上門我們實行一站式服務;與您精誠合作,共創雙贏!
上一篇:輕觸開關TC-0102
下一篇:輕觸開關TC-122V