
撥動開關廠家電氣性能:
1.額定電壓:最大24VCD max
2.開關不常切換的額定電流:最大400mA
3.開關經常切換的額定電流:最大150mA
4.絕緣阻抗:最小100mΩ
二、機械性能:
1.電器壽命:10,000 次
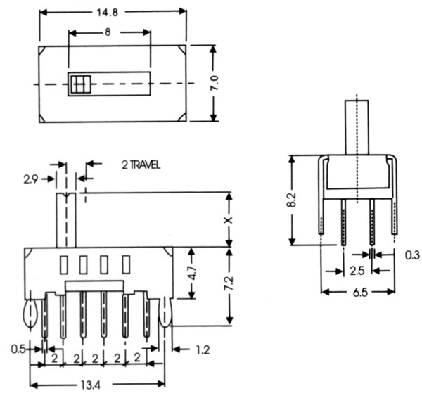
2.位數:2檔--6檔
3.使用溫度:-20℃~+70℃
撥動開關廠家用途:
產品廣泛用于收音機、玩具、電話、電視機、MP3、等電腦通訊器材、及家用電器等設備。
撥動開關特點:
* 導通性能好;鍍鎳防氧化;
* 手感好;產品輕小;按觸感相當輕快;
* 壽命長;動作壽命100萬次以上;
* 防塵性好;防濕、防熱性能優;觸點設計防異物更可靠;
* 無需焊接,裝配方便;
* 外形、鍵設計均可按客戶要求設計、生產
穎鑫電子科技有限公司是一家開發、設計、生產及銷售:
各種開關.插座:震動開關、振動開關、彈簧開關、滾珠開關、撥動開關、葉片開關、輕觸開關、按鍵開關、微動開關、
·做貨交期:接訂單7-15天內
·生產能力:350萬顆
·環保標準:ROHS,H.R.4040,ASTMF963,EN71-3,Phthalates,REACH等.
·服務對象:玩具行業,消費電子禮品廠家,家用電器廠家、數碼通訊等電子制品
·服務范圍:香港,臺灣,中國大陸,全國各個地區
上一篇:撥動開關SS-24D01
下一篇:撥動開關SS-24E01